Hogar » Productos » Piezas y accesorios del generador » Controlador » Controlador del generador » MRS16 MRS20 MRS10 MRS11 Módulo de Control de pantalla LCD de arranque automático remoto Panel controlador de generador diésel

loading

Compartir con:
sharethis sharing button

MRS16 MRS20 MRS10 MRS11 Módulo de Control de pantalla LCD de arranque automático remoto Panel controlador de generador diésel

Estado de Disponibilidad:
Cantidad:

Descripción Del Producto

Tiene tres modelos MRS10 MRS11 MRS20 Contacte específicamente con el vendedor
Descripción general:
Descripción del sistema controlador (con todas las opciones)
InteliLite NT -MRS es un controlador integral para grupos electrógenos individuales. IL-NT MRS 15/16 presenta soporte extendido de
Motores electrónicos y módulos de extensión.
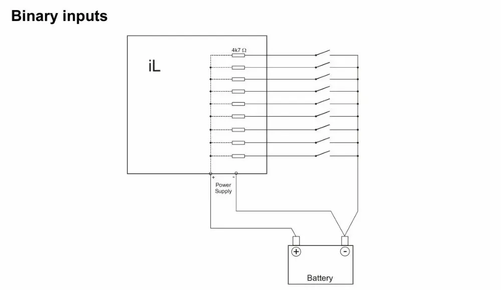
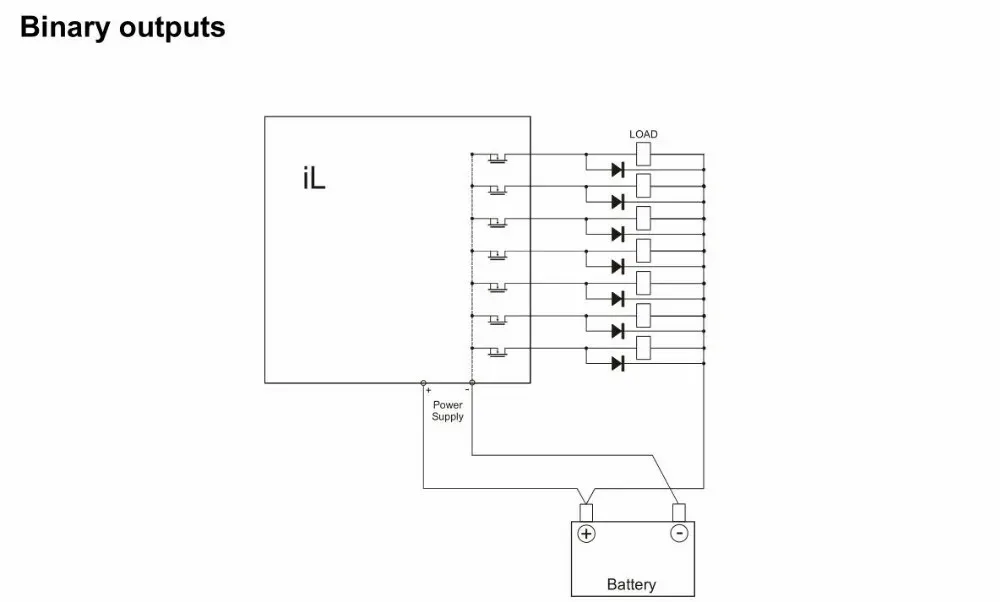
Los controladores InteliLite NT están equipados con una potente pantalla gráfica que muestra iconos, símbolos y gráficos de barras para una visualización intuitiva.
operación, que marca, junto con una alta funcionalidad, nuevos estándares en el control de grupos electrógenos.
InteliLite inicia automáticamente el grupo electrógeno, cierra el interruptor del grupo electrógeno cuando se cumplen todas las condiciones y luego detiene el motor.
señal externa o pulsando pulsadores.
InteliLite NT proporciona soporte para motores de gasolina sin ventilación.
La característica clave de InteliLite NT es su fácil operación e instalación. Configuraciones predefinidas para aplicaciones típicas
Están disponibles, así como configuraciones definidas por el usuario para aplicaciones especiales.

Control remoto:
El controlador InteliLite NT se puede controlar de forma remota. En caso de trabajar en el grupo electrógeno, comprobar que nadie pueda arrancar remotamente el
motor.
Sin duda:
Desconectar el control remoto a través de la línea RS232
Desconectar entrada REM START/STOP
o Desconectar la salida STARTER y las salidas GCB CERRAR/ABRIR


IL-NT RS232 es una tarjeta enchufable opcional que habilita InteliLite NT para la comunicación RS232. Esto es necesario para computadora o Modbus.
conectando. La tarjeta se inserta en la ranura de expansión nuevamente en el controlador.
Para insertar el módulo, primero debe abrir la cubierta (use un destornillador para abrir) y luego insertar el módulo en la ranura. Una vez que tengas
insértelo, el módulo encajará debajo de los dientes de plástico. Se supone que debe instalarse de forma permanente. Si necesita quitarlo, el
La forma más segura es quitar toda la cubierta trasera y luego quitar el módulo manualmente.
(Necesita comprar un módulo de comunicación RS232 adicional)
Nuestra fábrica

Acerca de la empresa

Fu'an Shaluo Electronics co.Ltd es un fabricante de accesorios para generadores. Nuestra empresa ha establecido una relación comercial estable y a largo plazo con varios agentes y minoristas nacionales.

inspección de fábrica

El profesional responsable de la calidad de la supervisión y control en todo el proceso.

Prueba de elementos

Para obtener una calidad superior, solo utilizamos buenos elementos seleccionados.

Ensambla productos

Dirigido a permitir que el departamento de producción fabrique y monte el producto de la forma más eficiente posible.

Nuestras Certificaciones
¿Por qué nos eliges?
Pago y entrega
Anterior: 
Siguiente: 

Productos relacionados

Llámanos:
+86-138-5038-6859
No 162, Lutou, aldea de Zhongcun, ciudad de Chengyang, Fuan, Fujian, China.
Correo electrónico :
sales@shaluoavr.com

Enlaces rápidos

Productos

Derechos de autor 2024 Fuan Shaluo Electrónica Co., Ltd.. Reservados todos los derechos. Sitemap